إسطوانات ( درافيل) أخرى
![]() |
![]() |
![]() |
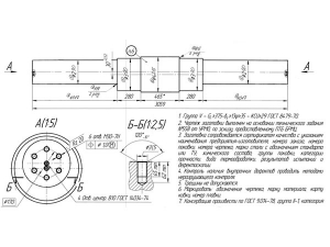
نحن قادرون على إنتاج أعمدة مختلفة، مثل الإسطوانات المركبة الصلبة، إسطوانات المسح، درابزين التوجيه لصناعة الورق، مسامير بستون، أعمدة المحرك، أعمدة المنشار الحر، أعمدة الإسطوانة الأفقية، أعمدة إسطوانة عمودية، أعمدة المضخة، أعمدة على توربينات الرياح، وآلات القص. يحتاح العملاء فقط لتزويدنا برسومات التصاميم بمواصفات معينة، وعليهم إخبارنا بالمود التي يحتاجونها. و من ثم سوف نأتي بالحل الانسب لتلبية إحتياجاتهم




